MWMECH
MWG-1908
ya
keluli mati kerja panas, SUJ2, SKD11, S45C
| Status ketersediaan: | |
|---|---|
| Kuantiti: | |
|
| |
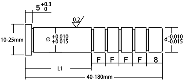
Tiang panduan digunakan dalam kombinasi dengan komponen lain dalam acuan untuk memastikan acuan bergerak dengan kedudukan dan laluan yang tepat.Ia biasanya silinder dengan bahu dan alur minyak.Bahan biasa adalah SUJ2, keluli mati panas, besi bergolek mudah, dan lain-lain. Ia mampu mencegah haus dan kerosakan acuan dan memudahkan penyelenggaraan kerana ia boleh dipasang dan dikeluarkan dari plat.
Kebulatan tiang pemandu adalah sangat penting.Untuk mengisar diameter luar, mesin pengisar silinder perlu menggunakan pusat pita pada lubang tengahnya supaya tiang pemandu boleh berputar.
Mengikut penggunaan, tiang panduan adalah untuk acuan kereta, kegunaan bebas, bingkai mati, plat bongkar, dll.
Biasanya permukaan silinder dalam ialah ø32H7, Ra0.2um;permukaan silinder luar ø45R6, Ra0.4um.
Kekerasan: 58-62HRC
Kekasaran permukaan: Ra0.4-0.8
Toleransi ketepatan: +/-0.005mm
Kepekatan: +/-0.01mm
Toleransi kelurusan: 0.002mm
Toleransi kebulatan: 0.002mm
Rawatan permukaan: rawatan haba pengkarburan
Permohonan: stamping die, die casting acuan, acuan plastik
Skop Saiz Biasa
![]() | ![]() | ![]() |
Saiz Biasa GP Guide Pillar Guide Bush In Stock
Anda perlu menyediakan lukisan yang jelas dan keperluan supaya jurutera kami faham dengan teliti.
Kami juga boleh membekalkan bahagian mekanikal ketepatan seperti di bawah:
komponen pemesinan CNC,
Susun Punch Talian,
Pukulan Kepala Talian,
Pasang Talian Penyambung -Bahagian Penyesuai,
Pasang Komponen Plat Pemasangan Talian,
Pasang Talian Metal Gripper,
Pasang Lengan Panduan Garisan,
Pasang Sisipan Orientasi Garisan,
Pasang bahagian Penyambung Flange Talian,
Pasang Peranti Talian,
Bahagian Orientasi untuk Garisan Berhimpun,
Bahagian Pengukuran untuk Talian Pasang,
Bahagian Pemeriksaan,
Pemotong Pembahagi Logam Bukan Standard Memasang Alat Talian…
Pelanggan dikehendaki menyediakan kod dan lukisan standard untuk harga tawaran dan pemprosesan.
Konsistensi yang baik, kualiti yang stabil, toleransi +/-0.005.
Masa Lead Cepat 5-7hari untuk saiz biasa.
Dalaman: beg gelembung, beg PE atau meterai plastik dengan minyak anti kakisan ditambah kotak karton luar, atau pakej selamat yang lain.
![]() | ![]() |
Kaedah rawatan permukaan utama aksesori die ialah: penyaduran elektrik, penyemburan, penggilap, anodisasi, penghitaman, dll.
Fungsinya adalah untuk memperbaiki penampilan, rintangan kakisan dan rintangan haus bahagian acuan.Setiap satu mempunyai persekitaran dan keadaan penggunaan tersendiri seperti di bawah:
Penyaduran Bahan Keluli
Electroplating-Electroplating ialah kaedah merawat permukaan komponen acuan ketepatan dengan lapisan filem logam.Logam yang berbeza, seperti kromium, zink, atau nikel, digunakan sebagai salutan dalam persekitaran utiliti yang berbeza.
Penggunaan: Ia digunakan untuk bahagian yang mempunyai keperluan ketepatan dimensi yang rendah.Kerana keseragaman ketebalan penyaduran tidak mudah dikawal, pemprosesan tambahan diperlukan untuk memastikan ketepatan apabila ketepatan dimensi adalah tinggi.
Penyemburan Bahan Keluli
Penyemburan merujuk kepada kaedah rawatan menyembur lapisan salutan pada permukaan bahagian acuan ketepatan.
Penggunaan: Ia boleh digunakan sebagai rawatan permukaan akhir untuk bahagian yang memerlukan ketepatan dimensi tinggi dan rintangan haus yang tinggi.
Penggilap Bahan Keluli
Menggilap merujuk untuk merawat permukaan menjadi keadaan licin, rata, bebas burr.
Penggunaan: Untuk memperbaiki penampilan, kekasaran mikro dan rintangan haus bahagian acuan dan die.
Penghitaman Keluli Biasa
Penghitaman merujuk kepada kaedah merawat permukaan bahagian acuan ke dalam lapisan filem oksida hitam.
Penggunaan: Keluli biasa sebagai sejenis bahan bahagian acuan, jika keperluan prestasi dan keperluan rintangan kakisan tidak tinggi, rawatan menghitam boleh menjimatkan kos.
Anodizing Aluminium
Anodizing- Anodizing merujuk kepada merawat permukaan bahagian die menjadi lapisan filem oksida.
Penggunaan: Kerana kekerasannya yang rendah, biasanya digunakan sebagai aksesori acuan tambahan.
Anda mungkin mempunyai banyak pilihan rawatan permukaan mengikut keperluan anda.Di bawah adalah beberapa kaedah biasa yang kami gunakan.
Soalan Lazim
S: Perkhidmatan apa yang boleh anda lakukan?
A: OEM/ODM.Sampel percuma tersedia selepas harga disahkan, tetapi anda perlu berkongsi pengangkutan sampel.Kami menghasilkan bahagian setiap lukisan atau sampel pelanggan.Mengenai perlindungan harta intelek pelanggan, kami tidak menjual produk yang sama pelanggan kami kepada pihak ketiga.
S: Apakah data yang perlu disediakan oleh pelanggan untuk sebut harga yang tepat?
A: Lukisan atau sampel, kuantiti, toleransi, standard, bahan, kemasan permukaan, keperluan khas lain, dsb.
S: Apakah kaedah penghantaran anda?
A: DHL, EMS, UPS, pengangkutan darat atau pengangkutan laut tersedia.
S: Bagaimanakah anda memastikan kawalan kualiti?
J: Pemeriksaan penuh dengan laporan ujian dan sijil komposisi bahan untuk setiap pesanan dan perkhidmatan selepas jualan 1 tahun untuk pembaikan atau penggantian percuma untuk produk defisit.Kadar pembaikan hampir sifar dan produk yang rosak semua penggantian atau pembaikan secara percuma.
S: Berapa lama masa utama anda?
A: 10-30 hari sehingga kuantiti.
S: apakah rawatan permukaan yang boleh anda tangani?
A: Titanium nitride (TiN), TiCN, penyaduran titanium, penghitaman, karburisasi, penyaduran zink, salutan zink, galvanisasi, plat krom, dll.
S: apakah tempoh pembayaran anda?
A: T/T, L/C, western Union, PayPal, dll.
Tiang panduan digunakan dalam kombinasi dengan komponen lain dalam acuan untuk memastikan acuan bergerak dengan kedudukan dan laluan yang tepat.Ia biasanya silinder dengan bahu dan alur minyak.Bahan biasa adalah SUJ2, keluli mati panas, besi bergolek mudah, dan lain-lain. Ia mampu mencegah haus dan kerosakan acuan dan memudahkan penyelenggaraan kerana ia boleh dipasang dan dikeluarkan dari plat.
Kebulatan tiang pemandu adalah sangat penting.Untuk mengisar diameter luar, mesin pengisar silinder perlu menggunakan pusat pita pada lubang tengahnya supaya tiang pemandu boleh berputar.
Mengikut penggunaan, tiang panduan adalah untuk acuan kereta, kegunaan bebas, bingkai mati, plat bongkar, dll.
Biasanya permukaan silinder dalam ialah ø32H7, Ra0.2um;permukaan silinder luar ø45R6, Ra0.4um.
Kekerasan: 58-62HRC
Kekasaran permukaan: Ra0.4-0.8
Toleransi ketepatan: +/-0.005mm
Kepekatan: +/-0.01mm
Toleransi kelurusan: 0.002mm
Toleransi kebulatan: 0.002mm
Rawatan permukaan: rawatan haba pengkarburan
Permohonan: stamping die, die casting acuan, acuan plastik
Skop Saiz Biasa
![]() | ![]() | ![]() |
Saiz Biasa GP Guide Pillar Guide Bush In Stock
Anda perlu menyediakan lukisan yang jelas dan keperluan supaya jurutera kami faham dengan teliti.
Kami juga boleh membekalkan bahagian mekanikal ketepatan seperti di bawah:
komponen pemesinan CNC,
Susun Punch Talian,
Pukulan Kepala Talian,
Pasang Talian Penyambung -Bahagian Penyesuai,
Pasang Komponen Plat Pemasangan Talian,
Pasang Talian Metal Gripper,
Pasang Lengan Panduan Garisan,
Pasang Sisipan Orientasi Garisan,
Pasang bahagian Penyambung Flange Talian,
Pasang Peranti Talian,
Bahagian Orientasi untuk Garisan Berhimpun,
Bahagian Pengukuran untuk Talian Pasang,
Bahagian Pemeriksaan,
Pemotong Pembahagi Logam Bukan Standard Memasang Alat Talian…
Pelanggan dikehendaki menyediakan kod dan lukisan standard untuk harga tawaran dan pemprosesan.
Konsistensi yang baik, kualiti yang stabil, toleransi +/-0.005.
Masa Lead Cepat 5-7hari untuk saiz biasa.
Dalaman: beg gelembung, beg PE atau meterai plastik dengan minyak anti kakisan ditambah kotak karton luar, atau pakej selamat yang lain.
![]() | ![]() |
Kaedah rawatan permukaan utama aksesori die ialah: penyaduran elektrik, penyemburan, penggilap, anodisasi, penghitaman, dll.
Fungsinya adalah untuk memperbaiki penampilan, rintangan kakisan dan rintangan haus bahagian acuan.Setiap satu mempunyai persekitaran dan keadaan penggunaan tersendiri seperti di bawah:
Penyaduran Bahan Keluli
Electroplating-Electroplating ialah kaedah merawat permukaan komponen acuan ketepatan dengan lapisan filem logam.Logam yang berbeza, seperti kromium, zink, atau nikel, digunakan sebagai salutan dalam persekitaran utiliti yang berbeza.
Penggunaan: Ia digunakan untuk bahagian yang mempunyai keperluan ketepatan dimensi yang rendah.Kerana keseragaman ketebalan penyaduran tidak mudah dikawal, pemprosesan tambahan diperlukan untuk memastikan ketepatan apabila ketepatan dimensi adalah tinggi.
Penyemburan Bahan Keluli
Penyemburan merujuk kepada kaedah rawatan menyembur lapisan salutan pada permukaan bahagian acuan ketepatan.
Penggunaan: Ia boleh digunakan sebagai rawatan permukaan akhir untuk bahagian yang memerlukan ketepatan dimensi tinggi dan rintangan haus yang tinggi.
Penggilap Bahan Keluli
Menggilap merujuk untuk merawat permukaan menjadi keadaan licin, rata, bebas burr.
Penggunaan: Untuk memperbaiki penampilan, kekasaran mikro dan rintangan haus bahagian acuan dan die.
Penghitaman Keluli Biasa
Penghitaman merujuk kepada kaedah merawat permukaan bahagian acuan ke dalam lapisan filem oksida hitam.
Penggunaan: Keluli biasa sebagai sejenis bahan bahagian acuan, jika keperluan prestasi dan keperluan rintangan kakisan tidak tinggi, rawatan menghitam boleh menjimatkan kos.
Anodizing Aluminium
Anodizing- Anodizing merujuk kepada merawat permukaan bahagian die menjadi lapisan filem oksida.
Penggunaan: Kerana kekerasannya yang rendah, biasanya digunakan sebagai aksesori acuan tambahan.
Anda mungkin mempunyai banyak pilihan rawatan permukaan mengikut keperluan anda.Di bawah adalah beberapa kaedah biasa yang kami gunakan.
Soalan Lazim
S: Perkhidmatan apa yang boleh anda lakukan?
A: OEM/ODM.Sampel percuma tersedia selepas harga disahkan, tetapi anda perlu berkongsi pengangkutan sampel.Kami menghasilkan bahagian setiap lukisan atau sampel pelanggan.Mengenai perlindungan harta intelek pelanggan, kami tidak menjual produk yang sama pelanggan kami kepada pihak ketiga.
S: Apakah data yang perlu disediakan oleh pelanggan untuk sebut harga yang tepat?
A: Lukisan atau sampel, kuantiti, toleransi, standard, bahan, kemasan permukaan, keperluan khas lain, dsb.
S: Apakah kaedah penghantaran anda?
A: DHL, EMS, UPS, pengangkutan darat atau pengangkutan laut tersedia.
S: Bagaimanakah anda memastikan kawalan kualiti?
J: Pemeriksaan penuh dengan laporan ujian dan sijil komposisi bahan untuk setiap pesanan dan perkhidmatan selepas jualan 1 tahun untuk pembaikan atau penggantian percuma untuk produk defisit.Kadar pembaikan hampir sifar dan produk yang rosak semua penggantian atau pembaikan secara percuma.
S: Berapa lama masa utama anda?
A: 10-30 hari sehingga kuantiti.
S: apakah rawatan permukaan yang boleh anda tangani?
A: Titanium nitride (TiN), TiCN, penyaduran titanium, penghitaman, karburisasi, penyaduran zink, salutan zink, galvanisasi, plat krom, dll.
S: apakah tempoh pembayaran anda?
A: T/T, L/C, western Union, PayPal, dll.
Tambah.: No.1518, F15, Bangunan 1, Pusat Kewangan Qianhai Life, Jinqiao 3rd Road 418#, Daerah Ekologi Chanba, Xi'an, Shaanxi, China.