Selamat Datang Bahagian Mekanikal Mid-West !
+86-029-83327769 melody@mwmechparts.com
Kamu di sini: Rumah / Produk / Bahagian Mekanikal Bukan Standard / Jadual Kerja Dan Perkakas FA / Peralatan Talian Kumpulkan Precision Disesuaikan
PRODUK

Peralatan Talian Kumpulkan Precision Disesuaikan

Kongsi kepada:
facebook sharing button
twitter sharing button
line sharing button
wechat sharing button
linkedin sharing button
pinterest sharing button
whatsapp sharing button
sharethis sharing button
Nama: pemasangan perkakas baris, perkakas perlawanan logam, alat kerja, bahagian logam

Bahan: acuan keluli
 
  • MWMECH

  • Ya

Status ketersediaan:
Kuantiti:


Permohonan perkakas baris  precision berkumpul


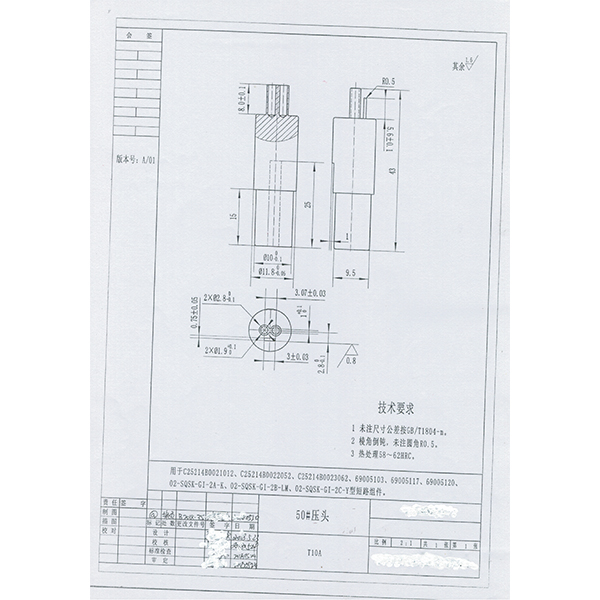
  • Gambar dan lukisan ini adalah produk tersuai kami. Ia menunjukkan keupayaan bekalan kami. Oleh kerana harta intelek, ia hanya untuk rujukan.

  • Memasang Line Work Work & Peranti Alat adalah untuk garis pemprosesan automasi kilang.  

  • Konsistensi yang baik, kualiti stabil, toleransi ketepatan +/- 0.002mm hingga +/- 0.005mm.

  • Sistem Jaminan Kualiti ISO.


Punca ketepatan yang lain dan mati bahagian yang dapat kami berikan contohnya: ketepatan mati/acuan, pukulan header atau bahagian untuk garis pemasangan untuk menyokong pergerakan dan aliran kedudukan kerja mesin seperti di bawah, ini adalah kes praktikal yang telah kami lakukan.


1) Punch header, kepala tekan, pukulan kepala   untuk menekan dan memasang bahagian dan bahagian yang berbeza.

kepala punch yang disesuaikan untuk pemasangan-mwmechparts

Tekan Tekan Tekan Tekan Line Alat-mwmechparts yang disesuaikan

Punch Head Customed Head Tooling Tooling-Mwmechparts

Head-mwmechparts pukulan tersuai


2)   pin pukulan, pin ejektor untuk bahagian acuan /mati


Die punch memasang alat-mwmechparts pin lurus lurus yang disesuaikan-mwmechparts



3) Bahagian yang relevan yang boleh kita lakukan -membus edge -closing mati

Ketepatan yang disesuaikan untuk pemasangan-mwmechparts

Ketepatan Diat



TENTANG MID-WEST MECHANICAL PARTS CO., LTD.,
Fokus pada resolusi dan angka di sebalik 0.000mm.

Pautan Pantas

Produk

Hubungi Kami

Tel.: +86-029-83327769
Wechat/Whatsapp: +86 19929016219
E-mel: melody@mwmechparts.com

Tambah.: No.1518, F15, Bangunan 1, Pusat Kewangan Qianhai Life, Jinqiao 3rd Road 418#, Daerah Ekologi Chanba, Xi'an, Shaanxi, China.

© Hak Cipta 2022 Mid-West Mechanical Parts Co., Ltd., Peta laman